Application note
稳定快速的真空沉积气体流量控制
反应溅射真空沉积
| 质量流量控制器用于真空沉积设备,用于向过程供应气体时确保以可控和准确的方式完成。理想状态是仪表可快速响应并在几毫秒内达到设定值。FLEXI-FLOW Compact可帮助此类需求用户。
物理气相沉积(PVD)溅射或反应溅射是一种层积技术,其中溅射颗粒与引入溅射室的气体发生反应。 高能氩气被施加到金属(铝)板上,释放出溅射金属颗粒的蒸气。其与提供的活性气体发生反应,在玻璃、硅晶圆、金属或聚合物上沉积很薄的陶瓷层。反应溅射用于涂覆抗反射、硬化、抗磨等涂层。 |
![]() |
应用要求快速流量控制在真空沉积技术中很重要。每一秒都节省时间和能源,提高沉积设备的效率。气体流量需要以可重复的方式以较大的动态流量范围提供,并具有长期稳定性,以确保质量。 |
重要议题
|
工艺方案FLEXI-FLOW Compact 质量流量控制器的响应时间达到150毫秒,无超调,可以满足真空涂层客户需要多通道流量解决方案,提供稳定快速流量控制和关闭功能的要求。 快速响应流量控制真空沉积设备的用户需要响应快速的气体供应系统。其优化压力和气体流量等工艺条件,并在涂层过程中测量涂层厚度来监测结果。在此过程中,应保持稳定、受控的气流,以保持涂层的正确厚度和成分。 |
![]() |
| 当溅射系统监测到厚度或透明度出现偏差时,会通过调整气体流量来纠正沉积过程。因此,需要非常快的流量控制,响应时间150毫秒。
FLEXI-FLOW质量流量控制器可以做到。如果入口压力发生变化,气体流量控制器以尽可能快的速度响应将流量保持在设定值。当反应室发生变化,流量控制器接收到新的设定值。对新的设定值的快速响应可以减少浪费和不合格产品。 |
|
|
关闭功能可集成切断阀,以减少真空阶段真空室的泄漏,尤其适用于超高真空反应器。 大动态量程大动态量程和1:1000大动态量程比减少了所需的型号和备件数量,并提高了真空沉积设备的灵活性。 通信接口紧凑型多通道解决方案利用Ethernet, EtherCAT 和 Profinet等工业协议可通过网关选择接口。数据可用于预测性维护。 |
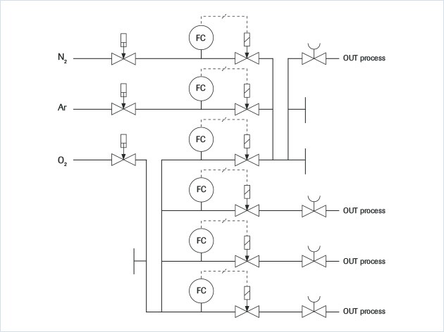
![]() |
| 带有 6 个质量流量控制器的工艺方案示例。采用截止阀以保证真空室的低泄漏率。 |





