热喷涂 | 超声波流量计
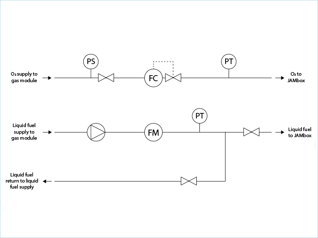
超声波流量计可用于多种工艺流程。喷涂工艺,无论是HVOF还是等离子喷涂,都是其中之一。荷兰Flame Spray Technologies 公司在其客户指定热喷涂应用中采用Bronkhorst超声波流量计系列,以应用提高耐磨性、耐腐蚀性和耐温性的涂层,例如航空航天应用。紧凑型超声波流量计能够更好地控制涂层质量,并易于安装在控制柜中。
|
![]() |
|
应用要求热喷涂工艺中气体或液体的恒定供应决定了所涂覆涂层的质量和厚度。因此,需要高精度和高重复性的流量仪表。校准是Flame Spray Technologies为其客户提供的服务包的一部分,因而控制稳定性和校准精度也同样重要。 |
重要议题
|
|
![]() |
| “为了在现场校准流量仪表,我们使用了Bronkhorst的移动校准设备。我们的员工在Bronkhorst总部接受了使用这些移动校准设备的培训。” | |



